6月30日,世界的目光匯聚東方,見證了北京大興國際機場主要工程項目如期順利竣工。新機場外觀如鳳凰展翅,帶來吉祥與祥瑞;建研科技工程咨詢院和建研結構秉承先進的建筑技術及全方位的顧問咨詢服務帶著強大的社會責任感,為新機場的建設貢獻力量;運用核心預應力技術為這只浴火鳳凰“強筋壯骨”。
?
在項目推進過程中,我們的工程咨詢院和建研結構具體做了哪些工作呢?
作為國內一流的建筑咨詢單位,工程咨詢院為大興機場提供了全方位的顧問咨詢服務
1.?風荷載試驗
北京大興國際機場航站樓、塔臺、機庫等結構物均為抗風敏感建筑,其主體結構和圍護結構的風荷載確定事關建筑安全,是重中之重!
建研科技抗風研究中心先后完成了北京大興國際機場航站樓、東塔臺、東航機庫、南航機庫等項目風洞試驗和風振分析工作,為值機候機、空中交通指揮、飛機維護等各工種相關建筑結構的抗風設計提供荷載取值依據。
此外為保障航站樓屋面圍護結構的安全,對屋面夾層結構進行了節段模型風洞試驗。
2航站樓積雪飄移試驗
考慮到機場屋蓋跨度極大,積雪在風力作用下飄移可能形成不均勻堆積,對屋蓋安全帶來威脅。為此,建研科技抗風研究中心完成了航站樓的雪荷載模擬試驗,得出的屋面積雪分布系數為結構抗雪設計提供了基礎的計算資料
3塔臺振動臺試驗
機場塔臺頂層視野需求高,支撐構件少,跨度大,地震作用下鞭梢效應顯著,是結構抗震設計需關注的重點部位。建研科技結構研究中心完成了北京大興國際機場東塔臺項目的模擬地震振動臺模型試驗,發現了結構薄弱環節并提出合理化建議,保證了塔臺的抗震安全。

4.空鐵一體化的安全性和舒適性分析
北京大興國際機場是目前中國規模最大的空鐵一體化綜合交通樞紐。航站樓下方有京雄線、地鐵專線和廊涿城際鐵路三條線路通過。
需要解決三方面問題:
1.??列車過站對建筑結構安全性的影響;
2.??列車過站對結構振動的影響;
3.??列車過站的氣動噪聲、輪軌噪聲及其傳播對環境的影響。
建研科技抗風研究中心和結構研究中心通過CFD數值模擬和結構分析,提出了具有針對性的局部加強以及減噪措施,圓滿的解決了上述問題。
豎向加速度分布? B1層
5.隔震支座和黏滯阻尼器檢驗
北京大興國際機場采用了國內首創的層間隔震技術,建成后的機場航站樓,將成為全球最大的單體隔震建筑。我公司減隔震技術研究中心完成了機場1238套隔震支座和彈性滑板支座以及144套黏滯阻尼器的檢測工作,保證了機場減隔震產品滿足相關標準和設計的要求。
建研結構運用預應力技術,保障了新機場項目主體結構的安全性、堅固性、穩定性;用預應力筋將整個混凝土結構連成為一個整體,預應力筋為新機場的混凝土結構“強筋壯骨”,為百年大計貢獻力量。采用預應力技術使得工程技術含量明顯增加,且有廣泛的經濟效益和社會效益。
1.為主體結構施工解決的技術問題
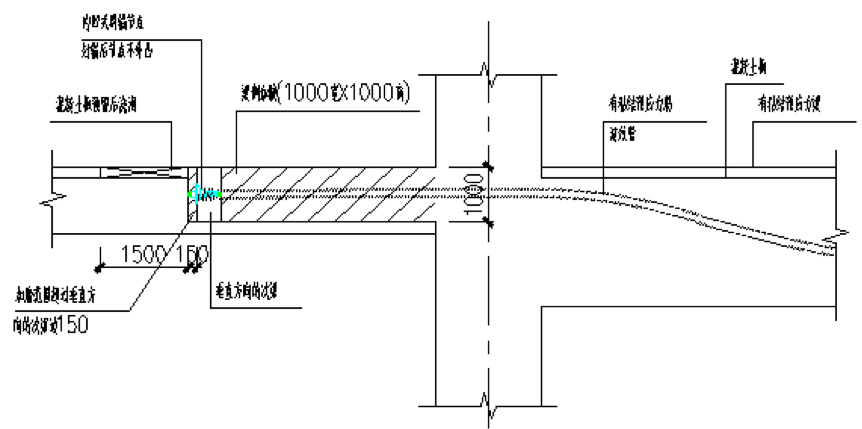
為解決大跨度撓度和混凝土收縮應力,本工程采用有粘結和無粘結預應力技術解決超長結構不設縫的問題。超長結構構件主要有:樓層梁、板,有粘結預應力筋主要布置在大跨度主梁內,無粘結預應力主要布置在主、次梁及板內。溫度無粘結預應力主要分布區域為:B1層、F1層、F2層、F3層、F4層、F5層的梁、板內,無粘結預應力筋板內配筋為2Фs15.2@1000。
2.有粘結梁預應力施工解決大跨度應力需求
根據建筑構造和工藝流程的要求,本工程地下二層為高鐵和地鐵預留通道,需滿足18m寬(軸線尺寸),因此托柱轉換梁采用預應力混凝土結構,結構預應力筋采用有粘結預應力技術解決。有粘結預應力梁最大截面尺寸為2600×2500,預應力配筋為8×14、112根。由于預應力筋根數較多并且鋼筋比較密集,所以采取梁加腋方式出張拉端在板內張拉,解決了大跨度應力問題滿足了建筑所需的寬度。


3.溫度無粘結預應力筋施工解決混凝土開裂
為減小超長混凝土開裂問題,本工程大部分樓層梁和板內布置溫度預應力筋采用無粘結后張預應力技術。無粘結預應力梁最大梁截面尺寸為1800×1350,預應力配筋為4×14、56根。板無粘結預應力筋為2根@1000。